| FORUM

FEDEVEL
Platform forum

USE DISCOUNT CODE
EXPERT30
TO SAVE $30 USD

Assigning GND plane in Altium Designer 16.0

CharanReddy , 08-31-2017, 08:33 AM
Dear,

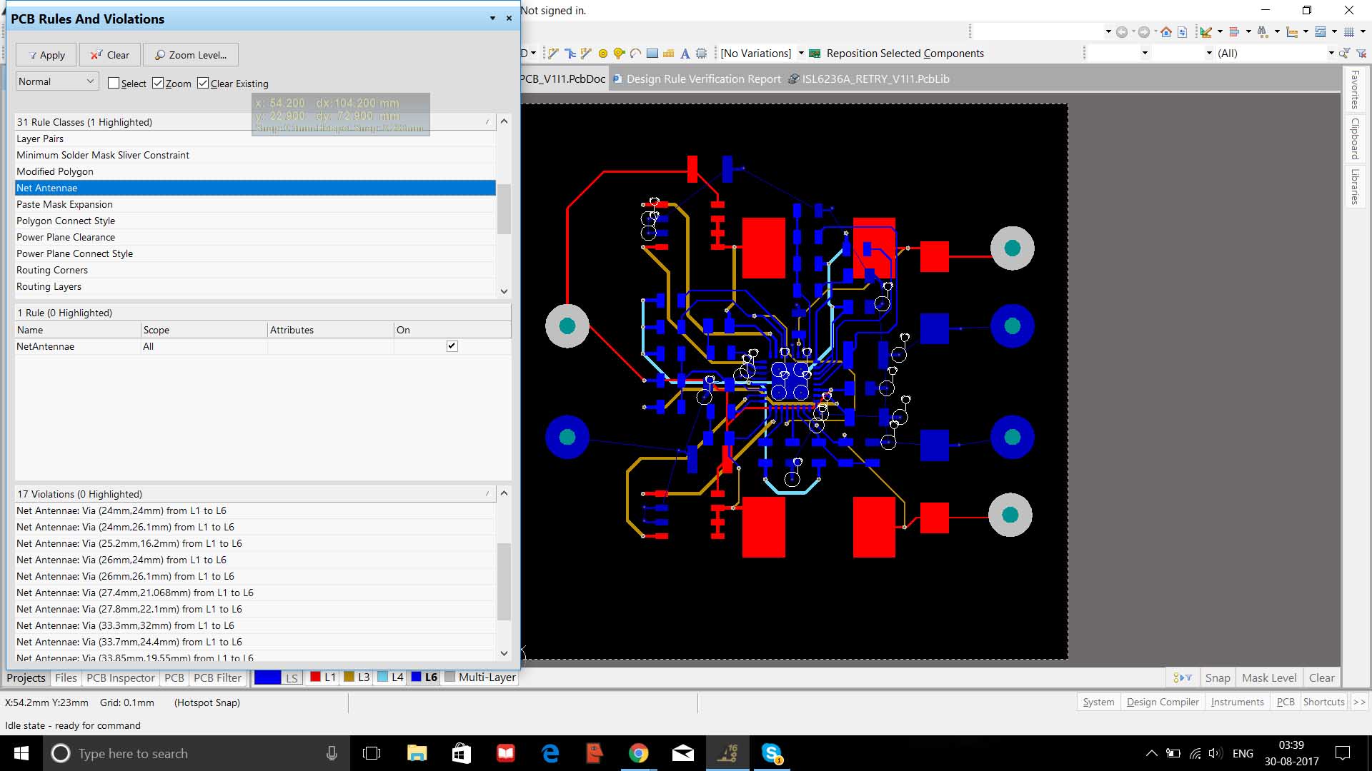
Violations with the
Net Antennae
In Altium Designer 16.0, i was not able to assign the Plane as GND. Please help me out.
robertferanec , 08-31-2017, 10:40 AM
Use our interactive Discord forum to reply or ask new questions.
Discord invite
Discord forum link (after invitation)

Didn't find what you were looking for?