| FORUM

FEDEVEL
Platform forum

USE DISCOUNT CODE
EXPERT30
TO SAVE $30 USD

How to create this special pin from Altium?

oscargomezf , 05-30-2017, 04:53 AM
Hi everyone,


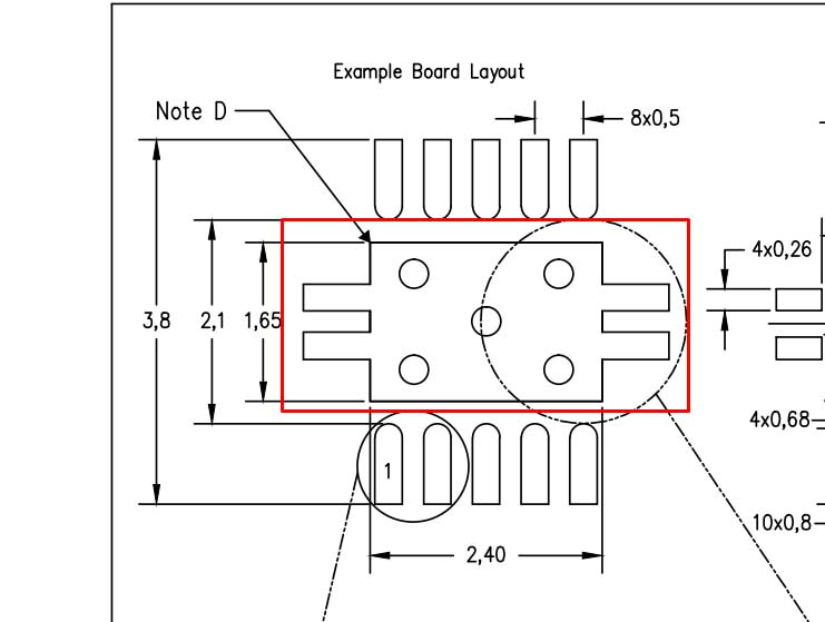
I'm trying to develop the footprint for this IC: TPS6120x. But the Exposed thermal pad is a little bit weird. I attached you a screenshot:

1º.- The holes are vias, the problem is the four flanges. Does anyone have any suggestion?

2º.- And I have another question. Texas Instruments usually uses the kind of pads that are rounded on one side and squared on the other side. I always substitute these ones by a squared one. Do you think is a good option?


Best regards.
mairomaster , 05-30-2017, 06:07 AM
The parts on the side look like extra pins to me. You can create 4 pads for them which touch the thermal pad and give them the same reference designators if they are a single pin on the schematics.

For pads that are rounded on one side only, I don't think it will be a problem to use ones that are rounded on both sides.

robertferanec , 05-30-2017, 09:53 AM
I used this footprint somewhere. I think I created four pins and then draw the Exposed Pad in the PCB - not the proper way to do it. However, I think at that time it was not possible to connect the pins in footprint, so I didn't have any other option - I just had to remember to do this during layout. But maybe now it is possible?

I think the main problem was, that when I draw a cooper in the footprint, then when it was imported into PCB, the EP was not picking up the net name and was causing some DRC errors. But I don't remember exactly.
mairomaster , 05-31-2017, 01:58 AM
^That's still a problem. If you do it like that you need to manually assign the net name to the copper region in the footprint, after importing to the PCB. For that reason it's good if you can just use a normal pad for the exposed pad.
oscargomezf , 05-31-2017, 02:01 AM
Hi everyone,


Thank you for your help and quick reply. It seems to be that the trick is to assign the same designator (10 in my case) and the ID = 1 to the 5 pins.

The source where I found this was here: https://www.eevblog.com/forum/altium...-multiple-pads

I hope to pass the design rule check.



Best regards.

robertferanec , 05-31-2017, 10:04 AM
Wow, that is helpful. Thank you for sharing.
Use our interactive Discord forum to reply or ask new questions.
Discord invite
Discord forum link (after invitation)

Didn't find what you were looking for?