| FORUM

FEDEVEL
Platform forum

USE DISCOUNT CODE
EXPERT30
TO SAVE $30 USD

Add a usb hub to a custom i.MX8M-EVKB

saeid , 08-13-2020, 12:36 AM
Dear All

Please correct me if I'm wrong.I am designing a custom board based on i.MX8M-EVKB reference design. In the MX8M-EVKB schematic, USB2 is connected to a USB 3.0 HOST Type A connector and M.2 connector (WiFi module) via 0R resistors (R926,R927,R1418,R1417), please check the attached pictures. As far as I understand, in some cases in which I want to connect a device to USB3 HOST Type A connector and a device to M.2 connector, I am not able to communicate with both of them at the same time. I am going to use an usb hub to make it possible that use both devices at same time. Please advice me on a compatible usb hub ic with i.MX8M and a reference schematic design and also does it required to do some modifications in software side ?



with regards,

Saeid
chitransh92 , 08-13-2020, 07:47 AM
Hello,
It is obvious that you will not be able to access both the USB connector just by splitting the DP/DM signal.
(I wish it were that simple.. 😋)

You can use the USB Hub IC
TUSB4020BI-Q1
This gives you 2 Downstream port and should suffice your requirement..
The datasheet contains the reference for design.

or can explore : https://www.ti.com/interface/usb/hub...USB2&p3278=Hub
for more solutions..

Or
You can also use Microchip's USB2422
with similar HW as above or explore: https://www.microchip.com/ParamChart...?branchID=1622

Thank you.
saeid , 08-13-2020, 07:43 PM
Thanks chitransh
Does it required to do some modifications in software side (Linux) when I add a USB hub between the processor and devices ??
robertferanec , 08-14-2020, 07:25 AM
We have USB 2.0 switch in our iMX6 TinyRex Development board.

This is the project page (you can download there full altium files): https://www.imx6rex.com/imx6-tiny-rex/baseboard-lite/

This is the schematic in PDF (go to page 9): https://www.imx6rex.com/wp-content/u...-Schematic.pdf

Here is a screenshot:



saeid , 08-18-2020, 02:42 AM
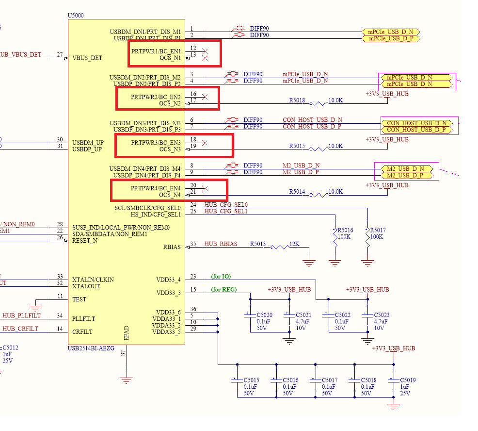
Thanks dear Robert, I made a decision to use OpenRex's USB HUB as a reference schematic. The part number which you used is "USB2514BI-AEZG" (The attached is my schematic) .
Please advice me about below questions:
1. Can I use this USB HUB for i.MX8 processor ?
2. Does it required to do some modifications in software side (Linux) when I add a USB hub ?
3. I didn't understand what PRTPWR1,PRTPWR2,PRTPWR3,PRTPWR4 and OCS_N1,OCS_N2,OCS_N3,OCS_N4 pins are? If I am going to use all the USB HUB port how do I connect these pins ?
robertferanec , 08-21-2020, 04:47 AM
1. If we would need this on iMX8 board we would use it on USB 2.0

2. Usually it should work oki ... just like a standard USB hub. However, there may be some special devices which require direct connection to CPU (these devices would not work even with a standard USB hub). I think, we have not installed anything special, it just worked.

3. From datasheet http://ww1.microchip.com/downloads/e.../00001692c.pdf
OCS Over-Current Sense: input from external current monitor indicating an over-current condition.
- USB power switch often has indication if higher current is driven from it e.g. standard USB 20.0 is 0.5A and if higher current is driven, you can turn off the USB

PRTPWR USB Power Enable: enables power to USB peripheral devices downstream.
- this can be for exapmle used to control the power switch mentioned above

Note: Usb power switch is often just a switch which can connect or disconnect 5V from USB connector
Lakshmi , 08-21-2020, 11:37 PM
Hi,
If you're specifically looking reference for iMX8M, please have a look at this:
http://www.embedian.com/index.php?ma...products_id=28
http://www.embedian.com/docs/EVK-STD...anual_v100.pdf
saeid , 08-24-2020, 06:55 PM
Thanks dear Robert and Lakshmi, your information helps me a lot.
Use our interactive Discord forum to reply or ask new questions.
Discord invite
Discord forum link (after invitation)

Didn't find what you were looking for?