| FORUM

FEDEVEL
Platform forum

USE DISCOUNT CODE
EXPERT30
TO SAVE $30 USD

IMX7 with two KSZ9031RNX ethernet phy

Aziz , 11-18-2019, 08:48 AM
Hello Robert,

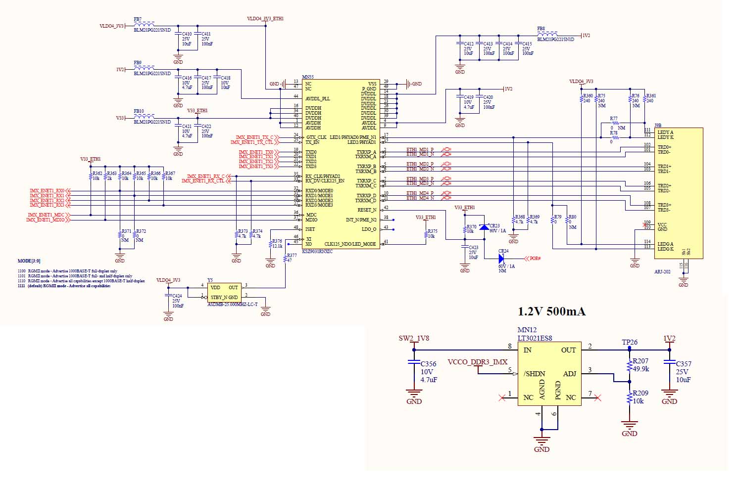
I have designed a board based on openRex design with an IMX7 and two KSZ9031RNX ethernet phy.
My problem is when i powered the board, the ethernets phy works randomly.
Have you an idea?

Thank you.
robertferanec , 11-18-2019, 09:05 AM
What does it mean works randomly - when it works it always works and when it doesnt work, it doesnt work and usually it is after reset or power up? Or it is transferring, then it stops and then it starts working again?
Aziz , 11-18-2019, 09:12 AM
When It's works, It always work after reset but randomly after power up.
robertferanec , 11-18-2019, 09:41 AM
That looks to me like RESET or POWER sequencing problem. Try manually reset the chip in uBoot, that could help.
Aziz , 11-18-2019, 09:52 AM
I have tried to reset ethernet phy manually but it doesn't work.
What do you think about my power sequencing attached?
robertferanec , 11-19-2019, 08:37 AM
I have tried to reset ethernet phy manually but it doesn't work.
When you do the manual reset, I would measure voltage directly on the ethernet reset pin - maybe the diode is causing problem and Ethernet reset pin doesn't have good enough LOW? I would double check if reset is long enough and I would double check if it is low enough (very close to 0V).
Aziz , 11-20-2019, 07:42 AM
Hi, thank you for your help,
You can find attached the measurement at power up :
3.3v -> blue
1.2v -> red
Reset -> green
I have measured 0.18v on reset pin during manual reset.

Thank you
Aziz , 11-21-2019, 06:55 AM
Hi,
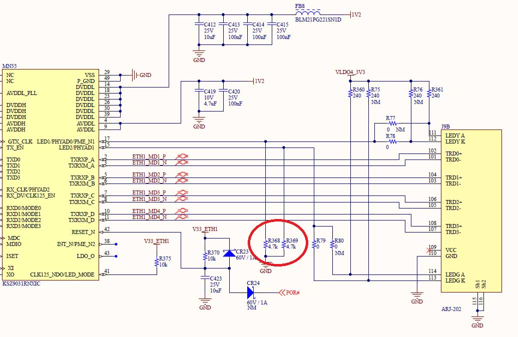
I have finally found a solution by changing the resistor value of pin LED1 and LED2.
I have change 4.7k by 1k and it's work well
Thank you a lot
robertferanec , 11-21-2019, 08:01 AM
You can find attached the measurement at power up :
3.3v -> blue
1.2v -> red
Reset -> green
I have measured 0.18v on reset pin during manual reset.
Please attach manual RESET waveform when chip is powered up. I do not think, that the LED resistors are the problem (even if it may look that it fixed the problem).
Aziz , 11-21-2019, 09:03 AM
Hi robert,

I have measure 1.4V for pins : PHYAD0 and PHYAD1, that was not compliant with the specs of the micrel KSZ9031 PHY:
specs:
- vin<1.3V -> 0
- vin >2V -> 1

By changing the resistor value to 1k, i measure 1.1V for pins : PHYAD0 and PHYAD1 it's possible to set PHY Address to ‘00’.

I try to do complementary tests
robertferanec , 11-21-2019, 10:57 AM
Ah, they are strapping configuration pins? then yes, that could be the problem.
Use our interactive Discord forum to reply or ask new questions.
Discord invite
Discord forum link (after invitation)

Didn't find what you were looking for?